Array
Виберіть бажану мову сайту
UA
RU

Замовити дзвінок

Кабінет

0

Кошик

0
0
0
Каталог Варильні поверхні Варильні поверхні серії Vario 200 Газова варильна Vario-поверхня GAGGENAU серії 200 VG264220

Газова варильна Vario-поверхня GAGGENAU серії 200 VG264220

Наявність:

В наявності

127 660 грн

Купити в один клік

Введіть номер телефону і ми передзвонимо

  • Огляд товару
  • Характеристики

Серія Vario 200.

Можна поєднувати з іншими варіо-панелями серії 200.

Зручна і функціональна панель управління.

Літа чавунна решітка.

4 конфорки потужністю 9,4 кВт.

+

-

Зони приготування:

2 конфорки підвищеної потужності (560 - 2800 Вт) підходять для каструль діаметром до 22 див.

2 стандартні конфорки (380 - 1900 Вт) підходять для каструль діаметром до 22 см.

+

-

Управління:

Поворотний перемикач з розміткою зони і рівня нагріву.

Поворотний перемикач з маркуванням ступеня нагріву

Автоматичне електрозапалювання

+

-

Особливості:

Лита чавунна решітка

Емальовані кришки пальників

+

-

Безпека:

Термоелектричний захист від витоку газу

+

-

Особливості вбудовування:

Форсунки для зрідженого газу замовляються додатково.

Подача повітря до конфорок зверху.

Перегородка під приладом не потрібно.

Кріплення приладу до стільниці здійснюється зверху

Оздоблення стіни за приладом повинно бути виконане з вогнетривкого матеріалу

Відстань збоку приладу до стіни або предметів меблів має бути не менше 150 мм.

При встановленні декількох газових варильних Vario-панелей з сумарною потужністю вище 11 кВт необхідно передбачити мінімальну відстань до витяжки 70 см.

Спеціальні насадки (для замовлення 2 шт. Кожної):

Арт. 433603 Природний газ 20 мбар

Арт. 419831 Зріджений газ 30 мбар

Арт. 419830 Зріджений газ 50 мбар

Вага приладу: бл. 13 кг.

+

-

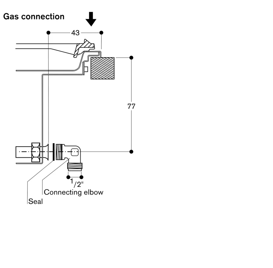
Підключення:

Потужність підключення до електромережі 9,4 kW.

Потужність підключення до електромережі 1,0 W.

Електричний кабель з вилкою довжиною 1,4 m

Xарактеристики
Тип приладу
Газовий
Серія
Vario 200
Країна виробництва
Франція
Габарити
Ширина
60 cm

Каталог

Акції

Інформація

+38 (095) 090-95-95 +38 (095) 274-59-33

Замовити дзвінок

ПРО НАС АКЦІЇ БЛОГ ГАРАНТІЯ ТА СЕРВІС КОНТАКТИ ШОУРУМ ДЛЯ АРХІТЕКТОРІВ
Viber Viber info@my-gaggenau.com.ua
Замовити дзвінок